新疆维吾尔自治区国防动员办公室
政府信息公开
政府信息公开指南
政府信息公开制度
法定主动公开内容
政府信息公开年报
依申请公开
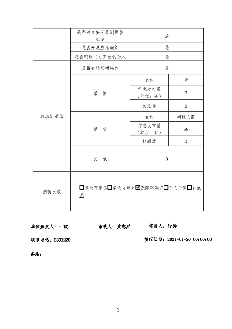
政府网站工作2020年度报表
发布时间:2021-01-22 浏览次数:
【字体:
大
中
小
】
分享到:
附件下载:
半岛电子体育竞技平台官网
map